公司新闻

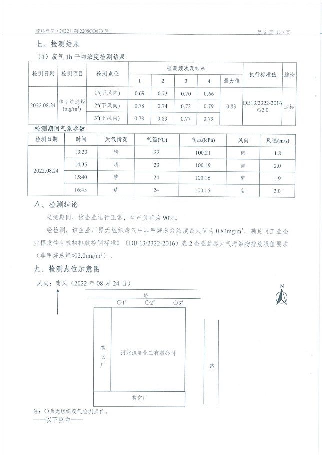
旭隆第三季度厂界非甲烷总烃小时均值监测报告

2022/10/8 14:30:24点击数( )


联系我们

地址:石家庄循环化工园区化工中路89号

邮编:052160

网址:http://www.hbxlhg.com/

邮箱:xulonghuagong@163.com

销售公司

电话:+86-311-85832888/89928600

传真:+86-311-89928601

销售4,4'-二氯二苯砜

销售部刘经理:13703111088

销售硫酸

销售部长陈力锋:18931183837

销售部长耿少华:   15032047708

区域经理刘海宾:15100170015

区域经理王波:15832122546

区域经理白江哲:   15632101937



用手机扫描二维码关闭
河北旭隆化工